×
Контакты
Фабрики
Доставка и оплата
Салоны
Новости
О магазине
О компании
Регистрация
Вход
Корзина:
0.00 грн.
0
шт.
0
м2.
Мы на
Мы на
Обратный звонок
Задать вопрос
Сантехника
Смесители
Axor
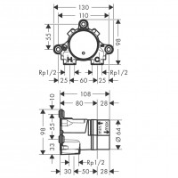
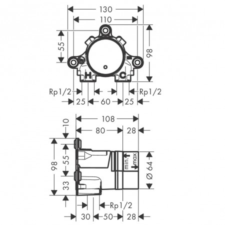
13625180 Базовий набір для одноважільного настінного змішувача для прихованого встановлення для рако
13625180 Базовий набір для одноважільного настінного змішувача для прихованого встановлення для рако
18409.00 грн.
В корзину
Страна пр-тель:
Германия
Фабрика:
Axor
Кол-во:
шт